10 "150lb API594 Dual Plate Wefer Check Valve CF8M
10 "150lb API594 Dual Plate Wefer Check Valve CF8M

10 "150lb API594 Dual Plate Wefer Check Valve CF8M

يقدم Dervos صمام فحص رقاقة مميز مصمم للطلب على التطبيقات الصناعية. صنع من قبل A351 CF8M ، 10 "150 رطل رقاقة التحقق من صمام لديه الخصائص الهيكلية للوحة المزدوجة.

  • صمام :

    رقاقة التحقق من صمام
  • مادة الجسم :

    مادة الجسم
  • حجم الصمام :

    10’’
  • التصميم معيار :

    API 594
  • اتصال :

    ويفر نوع RF
  • Max.Temp. :

    200 درجة مئوية
  • تفاصيل المنتج

 

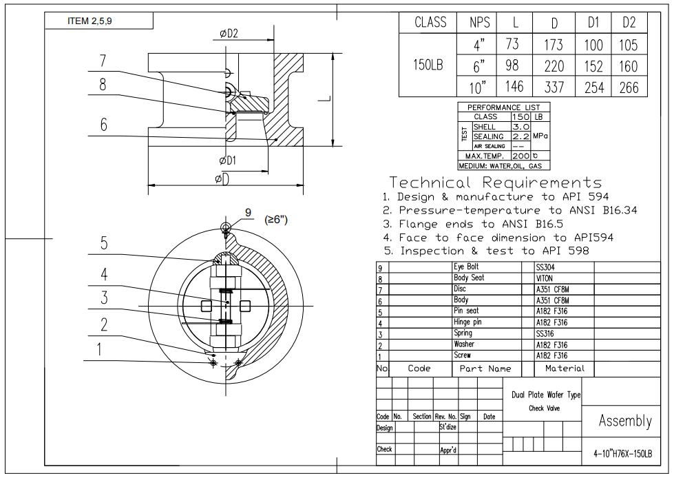
صمام رقاقة لوحة مزدوجة الرسم الفني

 

الميزات الرئيسية:

1.    تم إنشاؤه من الفولاذ المقاوم للصدأ CF8M ، ويضمن صمام الرقاقة المزدوج رقاقة الرقاقات مزدوجة المقاومة المتفوقة للتآكل والمتانة في مجموعة واسعة من التطبيقات.

2.    يتوافق هذا الصمام مع API 594 ، ويتميز بتصميم مزدوج للوحة يوفر الوقاية من التدفق الخلفي الموثوق والتركيب الموفرة للمساحة.

جسم الصمام

A35 1 CF8M

القرص

API 594

نوع الاتصال

ويفر نوع RF

وجها لوجه بعد

API 594

شفة قاتمة

Ansi B16.5

اختبار معيار

API 598

درجة حرارة الضغط

Ansi B16.34

ترك رسالة

إذا كنت مهتما بمنتجاتنا وتريد معرفة المزيد من التفاصيل، يرجى ترك رسالة هنا، وسوف نقوم بالرد عليك في أقرب وقت ممكن.
التصنيفات

احصل على تحديث يومي لن نشارك عنوان بريدك الإلكتروني أبدا مع طرف ثالث.

ترك رسالة
إذا كنت مهتما بمنتجاتنا وتريد معرفة المزيد من التفاصيل، يرجى ترك رسالة هنا، وسوف نقوم بالرد عليك في أقرب وقت ممكن.