4 "150lb لوحة رقاقة لوحة فحص صمام API594 A995 5A
4 "150lb لوحة رقاقة لوحة فحص صمام API594 A995 5A

4 "150lb لوحة رقاقة لوحة فحص صمام API594 A995 5A

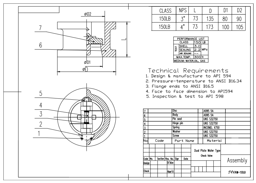
يقدم Dervos صمام فحص رقاقة مميز مصمم للطلب على التطبيقات الصناعية. صنع بواسطة A352 LCC ، 4 "150 رطل رقاقة التحقق من صمام لديه الخصائص الهيكلية للوحة المزدوجة.

  • صمام :

    رقاقة التحقق من صمام
  • رقاقة التحقق من صمام :

    A995 5A
  • حجم الصمام :

    4"
  • التصميم معيار :

    API 594
  • اتصال :

    نوع البسكويت
  • Max.Temp. :

    300 درجة مئوية
  • تفاصيل المنتج

 

صمام رقاقة لوحة مزدوجة الرسم الفني

 

الميزات الرئيسية:

1.    مصنوع من الفولاذ المقاوم للصدأ من الدرجة 5A من الدرجة 5A ، يوفر صمام الفحص 4 بوصة مقاومة تآكل متفوقة في البيئات القاسية.

2.    متوافق مع API 594 ، يضمن تصميم رقاقة اللوحة المزدوجة الوقاية الفعالة للتدفق الخلفي وتركيب توفير المساحة.

جسم الصمام

A995 5A

القرص

API 594

نوع الاتصال

شفة مزدوجة RF

وجها لوجه بعد

API 594

شفة قاتمة

Ansi B16.5

اختبار معيار

API 598

درجة حرارة الضغط

Ansi B16.34

ترك رسالة

إذا كنت مهتما بمنتجاتنا وتريد معرفة المزيد من التفاصيل، يرجى ترك رسالة هنا، وسوف نقوم بالرد عليك في أقرب وقت ممكن.
التصنيفات

احصل على تحديث يومي لن نشارك عنوان بريدك الإلكتروني أبدا مع طرف ثالث.

ترك رسالة
إذا كنت مهتما بمنتجاتنا وتريد معرفة المزيد من التفاصيل، يرجى ترك رسالة هنا، وسوف نقوم بالرد عليك في أقرب وقت ممكن.