8 '' 600 رطل فايف فايفر نوع رقاقة التحقق من صمام API594
8 '' 600 رطل فايف فايفر نوع رقاقة التحقق من صمام API594

8 '' 600 رطل فايف فايفر نوع رقاقة التحقق من صمام API594

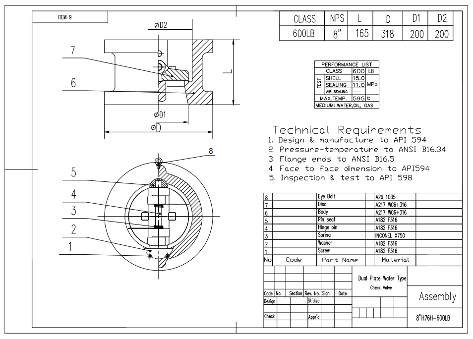
يقدم Dervos صمام فحص رقاقة مميز مصمم للطلب على التطبيقات الصناعية. صنع من قبل A217 WC6+316 ، 8 "600 رطل رقاقة التحقق من صمام لديه الخصائص الهيكلية للوحة المزدوجة.

  • صمام :

    رقاقة التحقق من صمام
  • مادة الجسم :

    A217 WC6+316
  • حجم الصمام :

    8’’
  • التصميم معيار :

    API 594
  • اتصال :

    ويفر نوع RF
  • Max.Temp. :

    595 درجة مئوية
  • تفاصيل المنتج

 

صمام رقاقة لوحة مزدوجة الرسم الفني

 

الميزات الرئيسية:

1.    يوفر صمام فحص نوع الرقاقة المزدوج 600 رطل من نوع الويفر ثنائيًا الوقاية من التدفق الخلفي عالي الأداء بتصميم قوي ، مناسب للأنظمة ذات الضغط العالي.

2.    تم تصميمه لتلبية معايير API 594 ، ويضمن صمام الفحص على غرار Wefer التثبيت المدمج والتشغيل الموثوق به في ظل ظروف صعبة.

جسم الصمام

A217 WC6+316

القرص

API 594

نوع الاتصال

ويفر نوع RF

وجها لوجه بعد

API 594

شفة قاتمة

Ansi B16.5

اختبار معيار

API 598

درجة حرارة الضغط

Ansi B16.34

ترك رسالة

إذا كنت مهتما بمنتجاتنا وتريد معرفة المزيد من التفاصيل، يرجى ترك رسالة هنا، وسوف نقوم بالرد عليك في أقرب وقت ممكن.
التصنيفات

احصل على تحديث يومي لن نشارك عنوان بريدك الإلكتروني أبدا مع طرف ثالث.

ترك رسالة
إذا كنت مهتما بمنتجاتنا وتريد معرفة المزيد من التفاصيل، يرجى ترك رسالة هنا، وسوف نقوم بالرد عليك في أقرب وقت ممكن.